Hai scaricato dal link che hanno messo a pag. 27? E' ancora attivo per adesso. Prova.Salve ragazzi potrei avere anche io qualche manuale dove ci sono gli schemi elettrici?
Grazie mille
Ti ringrazio per la risposta, tuttavia la mia Giulietta è una 1.6 120CV del 2016. Mi servirebbe lo schema della pulsantiera in basso (quella con lo start/stop e i sensori di parcheggio anteriori) e pare sia diverso nel manuale postato in precedenza.Hai scaricato dal link che hanno messo a pag. 27? E' ancora attivo per adesso. Prova.
Non si trova niente sulle successive alla prima serie però se ti serve lo schema dei sensori ant+post dalla 2014 in poi dovrei averlo.Ti ringrazio per la risposta, tuttavia la mia Giulietta è una 1.6 120CV del 2016. Mi servirebbe lo schema della pulsantiera in basso (quella con lo start/stop e i sensori di parcheggio anteriori) e pare sia diverso nel manuale postato in precedenza.
Grazie ancora.
Mi faresti un grande favore, ti ringrazio in anticipo.Non si trova niente sulle successive alla prima serie però se ti serve lo schema dei sensori ant+post dalla 2014 in poi dovrei averlo.
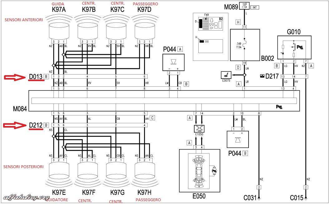
Ecco quello che ho.Mi faresti un grande favore, ti ringrazio in anticipo.
Ti ringrazio moltissimo. Per caso ti ritrovi anche lo schema elettrico del pulsante in sé?Ecco quello che ho.
Ho cercato tra i miei appunti di quando avevo fatto il mio impianto anteriore e ho trovato lo schema della 159 che è simile a quello della Giulietta tranne i contatti del pulsante che sono:Ti ringrazio moltissimo. Per caso ti ritrovi anche lo schema elettrico del pulsante in sé?
Questo qui per intenderci.
Grazie ancora!
Gentilissimo, ti ringrazio.Ho cercato tra i miei appunti di quando avevo fatto il mio impianto anteriore e ho trovato lo schema della 159 che è simile a quello della Giulietta tranne i contatti del pulsante che sono:
1. Contatto attivazione/disattivazione sistema sensori parcheggio
2. Contatto Stop&Start
3. Led Attivazione/disattivazione sistema sensori parcheggio
6. Positivo luci illuminazione pulsanti
7. Massa
Nel tuo cablaggio dovrebbero quindi mancare i cavetti 1 e 3.
Visualizza allegato 203755
Qui c'è la documentazione consultabile online ma solo per gli addetti ai lavori purtroppo.
Technical Information