Modalità Race ora attivabile su Giulia e Stelvio

Have both cars (yours and your colleague's) got active suspensions?
Could it be that only the knob with suspension button can be updated to "race"?
No, we dont have suspension button. Button is not active. Knob from 2016 car is the same as race and without it. In 2018 they change knob.
 
No, la mia è Q2 ed il manettino non va bene.
Il codice sul componente che funziona è 28-16, mentre sul mio è 38-16, ha solo 2 pulsanti laterali invece dei 3 richiesti.

Devo ordinare il manettino... maledizione :D

Mese e anno di produzione della tua?
Bisognerebbe controllare su eper, ma stasera quello di fiatclubpolska non va! Se non ricordo male però mi sembra che ci siano solo 3 codici ricambi, corrispondenti alle 3 versioni DNA, DNA + S e DNA R + S, quantomeno fino al 2018 ovvero quelle con il manettino analogico.
 
Informazione Pubblicitaria - Continua la Lettura Sotto
Mese e anno di produzione della tua?
Bisognerebbe controllare su eper, ma stasera quello di fiatclubpolska non va! Se non ricordo male però mi sembra che ci siano solo 3 codici ricambi, corrispondenti alle 3 versioni DNA, DNA + S e DNA R + S, quantomeno fino al 2018 ovvero quelle con il manettino analogico.

05/2017

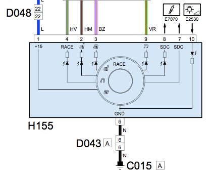
How to disassemble the knob?

It's not easy. You need to release the undercover plastic that hold the cable (4 plastic blocks) and then release the 2 plastic blocks deep inside the switch near the connector's pin (white) that anchor the electronic to the knob. After that you push the white body and it goes off from the knob.
 
Io ho una MT6 di giugno 2016 quindi il manettino può essere modificato.
Per fare la modifica via software è sufficiente un elm327 e multiecuscan?
 
E' uno switch fino a MY18, da MY19 in poi è un nodo CAN.


Sicuramente è un problema dovuto al non aggiornamento degli e-per consultabili on line, ma non si riesce a distinguere le due tipologie di manettino. A parte le versioni per guida a dx, ci sono solo tre codici per i manettini, riconducibili alle tre versioni "normale", "normale con sospensioni elettroniche" e "Quadrifoglio". Come è possibile?
 

Discussioni simili