Ciao, ti rispondo ora, purtroppo non è una cosa risolvibile qui da noi senza lavorare sulla macchina,
va messa sia per terra che sul ponte e provato a misurare con un metro a nastro un po di riferimenti,
che a quanto pare nessuno dei consultati ancora a provato a fare;
( i carrozzieri più attrezzati poi hanno dei sistemi appositi su cui appoggiare e misurare i punti di riferimento e compararli con i dati di fabbrica delle geometrie delle scocche, ma nel tuo caso spero non dovrai arrivare a tanto )
ti dico come procederei:
a ) verificare su Eper che la 156 non abbia diversi modelli di fuso/campanatura a seconda della motorizzazione/versione, perchè va escluso che il fuso nuovo non sia quello corretto ( dicevi che erano diversi a vista nella curvatura, se non è colpa della botta, potrebbe essere un ricambio scorretto,
oppure ha una forma diversa ma allafine gli snodi sono nella stessa posizione, non saprei, andavano paragonati da smontati); questa verifica andrebbe fatto prima di ogni altro passo e penso che qui ci sono utenti che conoscono bene l'auto che possono aiutare a verificare se ci sono diversi codici di fusi
b ) verificare le componenti della parte bassa della sospensione (vedi qui sotto)
c ) verificare l'attaccatura alla scocca del braccetto alto (in particolare che non si sia torta/ruotata
la lamiera a cui si collegano i due bulloni che fissano alla scocca il perno del braccetto triangolare in alluminio, o non si sia piegato il perno stesso;
se non si riesce a vedere per scarso accesso, tolte le ruote
tocca misurare la posizione dello snodo superiore (testina tra fuso e braccetto alluminio) rispetto a qualche riferimento nel passaruota (distanza laterale e longitudinale) e paragonarlo tra i lati dx e sx
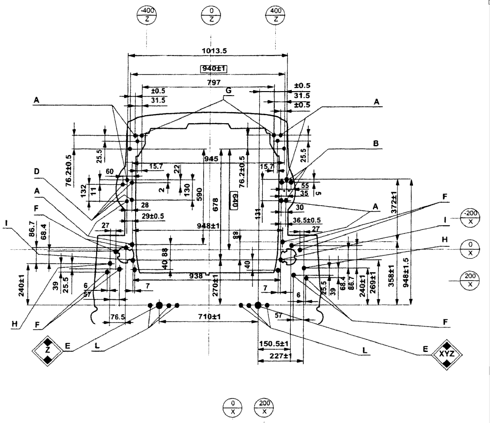
torniamo alla parte bassa, questa è la culla:
hai preso credo una botta come nella freccia rossa,
questo ha creato sia la coppia di forze opposte in azzurro sugli attacchi del braccio,
che una spinta verso il retro dell'intera culla (freccia arancione),
c'è da controllare:
- che il braccio non si sia incassato (piegato a U, sformato) nel punto della freccia verde,
puoi fare delle misure dei lati del triangolo o vedere la forma e poi confronrtare
con il braccio sul lato opposto dell'auto
- che i bulloni o gli attacchi in lamiera (non ho presente il dettaglio) che fissano il lato posteriore della culla al telaio non siano arretrati (punti il metro sul bullone posteriore del braccio e misuri verso il retro
dell'auto su un componente a tua scelta del sottoscocca, e ripeti dal lato opposto, se c'è una differenza anche solo di mezzo centimetro la trovi anche senza aiuto di carrozziere, meccanico, gommista che probabilmente non avevano il tempo di mettersi lì con pazienza
- soprattutto (scommetterei su questo) che non si sia "aperto" verso
l'esterno il corno anteriore della culla come da freccia viola;
puoi accorgertene perchè trovi lamiera leggermente ruotata in certi punti,
oppure noti asimmetria tra i due lati rispetto a qualche riferimenti,
oppure misuri la distanza tra i due corni anteriori della culla (linea gialla)
e chiedi a qualcuno con la 156 di fare altrettanto, se trovi anche solo 5-6mm di differenza
sai che è storta ( su subito trovi culle usate a partire da 80 euro, nuova non ho idea,
alla peggio si può persino raddrizzare la culla vecchia ma sapendo che in quanto snervata
la prossima volta si piegherà di nuovo per urti ancora più leggeri )
la misura la fai puntando il metro da un corno anteriore all'altro della culla ,
puntando il metro sul "centro(asse)" bullone fissaggio braccio sospensione lato dx
a centro bullone fissaggio braccio sospensione lato dx,
(PS: devi scegliere e specificare se stai misurando tra i bulloni interni (num. 8 nell'immagine)
o quelli leggermente più esterni (num. 5 nell'immagine, anche se è scritto al rovescio),
perchè ogni braccio sospensione è fissato al suo corno anteriore della culla con una coppia di bulloni (5 e 8), uno esterno più verso il passaruote e uno leggermente piu interno verso il motore,
vedi nel disegno i puntini viola, sarebbero gli assi dei bulloni tra cui fare la misurazione)
la misura fatta immaginando di partire dall'asse di un bullone lato dx all'asse di un bullone di dx
si chiama "da centro a centro" se appunto si considerano i centri degli assi immaginari al centro della testa di ogni bullone, fare la misura centro-centro ti permette di confrontarla più facilmente con altri
mi spiace, per misure più fini di queste è davvero difficile spiegarsi a distanza,
speriamo che già con questi primi controlli trovi l'inghippo
